Apricot Bits

Spindle Motor Mystery

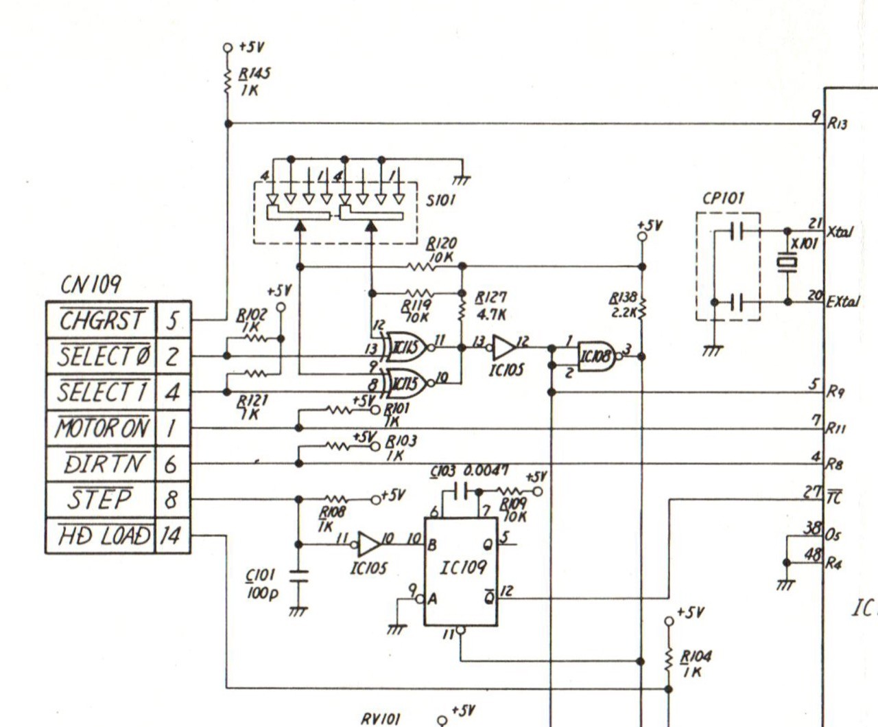
I noticed one night that the spindle motor on the floppy drive in my Apricot never turns off. I went to investigate it. The drive schematic says pin 1 is the motor enable (active low as it usually is on floppy interfaces). Then I look at the Apricot schematic, and it says pin 1 is grounded. Okay, maybe it uses drive select to enable the motor? But then I directly toggled the motor pin with different drive select settings (pull-ups should default to select drive 0) and it doesn't seem to care. It really seemed like the design is that the spindle motor is always on.

Then I traced the drive select logic and it seemed to be fine at least until it goes into the main controller IC. Which I guess I knew already because it stopped working when I set it to anything other than drive 1.

Some time later I figured it out. The technical reference manual describes it pretty clearly. Yes, the spindle motor is designed to be hard wired on. But there is a switch on the drive that controls whether it spins constantly or only when a disk is inserted. It didn’t elaborate but there’s only one other switch on the drive board, near the front of the drive. I must have bumped that while disassembling it for cleaning.

Mystery solved. I still find it weird that the motor spins the entire time the disk is inserted. But I also learned that this was fairly common for older drives as they, like this OA-D32W, have a head load mechanism. So while the disk is spinning continuously, the head is only contacting the disk during reads and writes. Most 3.5" drives (and many later 5.25" drives) don't do this, and instead only spin the disk when necessary.